









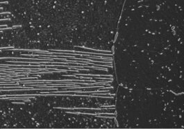
This project is based on taking images with a digital microscope. Although this device was invented centuries before photography, the relationship between both instruments was established in 1840, when the first microscopic photographs of J. B. Dancer were known.
The microscope was considered (and still is) an objective and mechanical device. But what does it mean to take these images digitally and in an artistic way? What is the use of scientific images?
This very question of objectivity and neutrality in captured images is highlighted by Henry Talbot in his book The Pencil of Nature. In Table XIII, he observes: "This is one of the charms of photography: the photographer himself discovers when contemplating the image, perhaps much later, that he has captured many things of which he had no idea at the time." This resonates with the purpose of the microscope: to reveal the unseen, what lies beyond our initial perception.
The question is, once again, the same: What are we talking about when we talk about photographs?